P5003
内容提示:汽车电子泵

一、产品应用:
1.5KW驻车预热器循环
2.汽车暖风空调循环
3.汽车涡轮增压器水冷循环
4.新能源汽车冷却循环
二、产品特征:
1.重 量:0.36KG
2.防护等级:IP65
3.绝缘等级:H级
4.使用寿命:20000小时
5.进出水口外直径:18mm
三、使用条件 :
环境温度: -40-125℃
介质温度:-40-120℃
介 质:防冻液
使用场所:车载
四、特点:
1.采用无刷电机,体积小
2.低功耗、低噪音
3.体积小、便于安装
2.低功耗、低噪音
3.体积小、便于安装
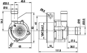
五、尺寸图丨曲线图

六、性能参数表:
| 额定电压 | 使用电压范围 | 额定电流 | 最大扬程 | 最大流量 | 额定功率 | 最大噪音 |
| V | V | A | m | L/min | W | dB(A) |
| 12 | 6-14 | 1.4 | 3 | 25 | 17 | 40 |
| 24 | 12-32 | 0.7 | 3 | 25 | 17 | 40 |
时间:2021-07-26 来源:东莞深鹏电子 点击:次
上一篇:没有了
下一篇:P3005
下一篇:P3005
