P9009
内容提示:一、产品应用: 1. 新能源热管理系统 2 新能源汽车电机电控冷却循环 二、产品特征: 1.重 量:1.8Kg 2.防护等级:IP67 3.绝缘等级:H级 4.使用寿命: 12000小时 5.进出水口直径:38mm 三、使用

一、产品应用:
1.新能源热管理系统
2新能源汽车电机电控冷却循环
二、产品特征:
1.重 量:1.8Kg
2.防护等级:IP67
3.绝缘等级:H级
4.使用寿命:12000小时
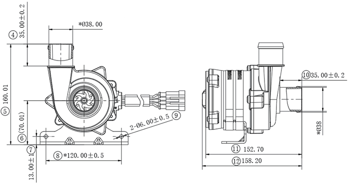
5.进出水口直径:38mm
三、使用条件:
环境温度:-40 - 125℃
介质温度:-40 - 100℃
介 质:防冻液
使用场所:车载
四、特点:
1.采用无刷电机,寿命长
2.功耗低、流量大
3.便于安装
2.功耗低、流量大
3.便于安装


六、性能参数表:
| 额定电压 | 使用电压范围 | 额定电流 | 最大扬程 | 最大流量 | 额定功率 | 最大噪音 |
| V | V | A | m | L/min | W | dB(A) |
| 24 | 16-32 | 14.5 | 13 | 190 | 360 | ≤60 |
时间:2026-04-14 来源:深鹏科技 点击:次
上一篇:P9009发动机水泵
下一篇:没有了
下一篇:没有了
